—
—
РВД фитинги и муфты
Станки для РВД и трубРукава высокого давления - РВДРВД фитинги и муфтыПромышленные шланги и рукаваФитинги для рукавов промышленныхТермопластиковые рукава и трубкиФторопластовые рукаваФитинги для PTFE и термопластиковых шланговШланги сверхвысокого давленияШланги низкого давления Push LokАдаптеры и соединения для трубПоворотные соединения для труб и РВДВвертные и обратные клапаныГидравлические быстроразъемные соединения (БРС)Нержавеющие РВД фитингиМногоразовые резьбовые фитингиПластиковая и текстильна защита РВДАвтомобильные шлангиФитинги для автомобильных шланговШланги для буровых установокТрубки для гидравлических системРукава для гидроразрываЗаглушки для фитингов пластиковыеОборудование для прочистки рукавов и трубопроводовУплотненияКрепеж для трубКраны шаровые запорныеИнтернет-партнерствоТестирование гидравлических системСистемы удерживания и хомуты для РВДОборудование смазочно-раздаточноеРазный инструмент для РВД
—
—
СКОБА SAE J518 код 62
Муфты для РВД универсальныеФитинги BanjoФитинги BSP внутренняя резьбаФитинги BSP наружная резьбаФитинги для РВД BSPT штуцерФитинги DK внутренняя резьбаФитинги DKI внутренняя резьбаФитинги DK наружная резьбаФитинги DKO-L внутренняя резьбаФитинги DKO-L наружная резьбаФитинги DKO-S внутренняя резьбаФитинги DKO-S наружная резьбаФитинги JIC внутренняя резьбаФитинги JIC наружная резьбаФитинги для рукавов JIS BSPФитинги JIS внутренняя резьбаФитинги для рукавов NPTFФитинги ORFS внутренняя резьбаФитинги ORFS наружная резьбаФланцы SF 3000СКОБА SAE J518 код 61Фланцы SF 6000СКОБА SAE J518 код 62Фитинги STECK
Фильтры
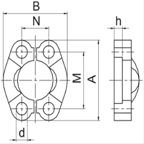
Артикул:
PM-AFS601B
PM-AFS601B
Соед. дюйм
1/2
A
56
B
47.2
d
9
h
7.2
M
40.5
N
18.2
PM-AFS602B
Соед. дюйм
3/4
A
71
B
60
d
11
h
8.2
M
50.8
N
23.8
PM-AFS603B
Соед. дюйм
1
A
81
B
69.6
d
13.5
h
9
M
57.2
N
27.8
PM-AFS604B
Соед. дюйм
1.1/4
A
95
B
77.2
d
13.5
h
9.8
M
66.6
N
31.8
PM-AFS605B
Соед. дюйм
1.1/2
A
113
B
95
d
17.5
h
12
M
79.3
N
36.5
PM-AFS606B
Соед. дюйм
2
A
133
B
113.8
d
22
h
12
M
96.8
N
44.5
Склад:
нет
Резерв:
нет
Ожидается (дни) :
нет
Разъемные фланцевые скобы код 61/62 FL / FS
Стандарты фланца:
SAE J518 определяет полуфланец, как разделенный на две части с четырьмя отверстиями, соответствующий версии BS ISO 6162-1 / 2: 2012 для зажима фланцев при установке в гидросистеме. Фланцевые соединения с зажимами бывают двух типов: разъемные фланцевые и неразъемные фланцевые зажимы.
Две серии для рабочего давления и размера:
• SAE J518, код 61 и ISO 6162-1 определяют фланцевые соединители, порты и монтажные поверхности для использования при давлениях от 3,5 МПа (35 бар) до 35 МПа (350 бар), от DN 13 до DN 127.
• SAE J518, код 62 и ISO 6162-2 определяют фланцевые соединители, порты и монтажные поверхности для использования при давлении 42 МПа (420 бар), от DN 13 до DN 76.
Тип материала: углеродистая сталь C45 Нержавеющая сталь 304, 316, 316L
Отделка: белый оцинкованный CrVI, минимальная толщина 8 мкм.
Запрос цены